由于最低的输入噪声及高达 10 GHz 的模拟带宽,6 系列 MSO 为分析和调试当今 GHz 时钟和总线速率的嵌入式系统提供了最好的信号保真度。6 系列 MSO 拥有极具创新的手指开合-滑动-缩放触摸屏用户界面,业内超大的高清显示器,以及 最多 8 个 FlexChannel® 输入,每条通道可以测量一个模拟信号或 8 个数字信号,可以解决当前及未来棘手的挑战。
绘图:时间趋势、直方图、和相位噪声
I2C、SPI、eSPI、I3C、RS-232/422/485/UART、SPMI、SMBus、CAN、CAN FD、CAN XL、LIN、FlexRay、SENT、PSI5、CXPI、汽车以太网、MIPI C-PHY、MIPI D-PHY、 USB 2.0、eUSB2、USB3.0、PCIe Gen1/Gen2、以太网、EtherCAT、音频、MIL-STD-1553、ARINC 429、Spacewire、8B/10B、NRZ、曼彻斯特、SVID、1-Wire、MDIO 和 NFC
6 系列 MSO 提供了 4 通道、6 通道和 8 通道型号及 15.6 英寸高清 (1,920 x 1,080) 显示器,可以更好地查看复杂的系统。许多应用如嵌入式系统、三相电电子器件、汽车电子器件、电源设计和电源完整性,都要求观察 4 个以上的模拟信号,检验和检定器件性能,调试极具挑战性的系统问题。
大多数工程师都记得,他们曾调试过特别难的问题,希望更好地查看系统和状态,但使用的示波器只能提供两条或四条模拟通道。使用第二台示波器非常麻烦,需要对准触发点,很难确定两台显示器之间的定时关系,文档管理也是问题。
您可能认为 6 通道和 8 通道示波器的价格会比 4 通道示波器搞出 50% 或 100%,那么您会惊喜地发现,我们的 6 通道示波器只比 4 通道型号贵 ~25%,8 通道示波器只比 4 通道示波器贵 ~67%(更少)。新增的模拟通道可以迅速获得回报,因为您可以按期完成当前项目和未来项目。
6 系列 MSO 重新界定了混合信号示波器 (MSO) 的标准。FlexChannel 技术可以将每个通道输入作为一条模拟通道、8 个数字逻辑输入(使用 TLP058 逻辑探头),或同时作为模拟视图和频谱视图(每个域使用独立的采集控制)。异常灵活,配置起来异常方便。
您只需增加或拔下 TLP058 逻辑探头,就可以随时改变配置,直到获得适当数量的数字通道。
FlexChannel 技术实现了较大的灵活性。依据连接的探头类型,每个输入可以配置成一条模拟通道或 8 条数字通道。
而不像上一代 MSO 要求进行折衷,因此数字通道的采样率要低于模拟通道,或者记录长度要短于模拟通道。6 系列 MSO 采用了全新的数字通道集成度。数字通道与模拟通道共享同样高的采样率(最高 50 GS/s)和同样长的记录长度(最高 1G 点)。
TLP058 提供了 8 个高性能数字输入。根据需要连接多只 TLP058 探头,支持最多 64 条数字通道。
通道 2 把一只 TLP058 逻辑探头连接到 DAC 的 8 个输入上。注意绿色和蓝色颜色代码,1 为绿色,0 为蓝色。通道 3 的另一只 TLP058 逻辑探头探测驱动 DAC 的 SPI 总线。白边表示有更高频率的信息可以放大,也可以在下一次采集时迁移到更快的扫描速度。
FlexChannel 输入并不只是模拟输入和数字输入,还包括频谱视图。这种泰克已获专利的技术可以同时查看所有模拟信号的模拟视图和频谱视图,且在每个域中进行独立控制。基于示波器的频域分析第一次像使用频谱分析仪一样简便,同时还能够把频域活动与其他时域现象关联起来。
完美的 15.6 英寸(396 毫米)同类 它还是分辨率很高的显示器,支持全高清分辨率 (1920 x 1080),可以一次查看多个信号,为关键读数和分析提供充足的空间。
查看区域经过优化,确保为波形提供最大的垂直空间。右面的结果条可以隐藏,波形视图可以占据显示器的全部宽度。
堆叠显示模式可以方便地查看所有波形,同时在每个输入上保持最大 ADC 分辨率,实现最准确的测量。
6 系列 MSO 提供了颠覆式的全新堆叠显示模式。以往,示波器会把所有波形重叠在相同的刻度内,进而会引发很多矛盾:
为了查看每个波形,您要在垂直方向定标和定位每个波形,使它们不要重叠。每个波形只占用可用 ADC 范围的一小部分,因此测量准确度会下降。
为保证测量精度,您要在垂直方向定标和定位每个波形,以覆盖整个显示屏。波形相互重叠,很难区分各个波形上的信号细节
全新堆叠显示模式则消除了这种矛盾。在创建和删除波形时,它自动增加和删除额外的水平波形“分割”(额外的刻度)。每个分割都会使用整个 ADC 范围。所有波形看上去彼此分开,同时仍使用整个 ADC 范围,实现了最大的可见性和精度。而且这一切在增加或删除波形时都是自动完成的!通过拖放显示画面底部设置条中的通道和波形标记,可以在堆叠显示模式中简便地重新排列各通道的顺序。多组通道还可以叠加在一个片段内部,简化目测对比信号。
大显示器不仅为信号提供了充足的查看区域,还为示图、测量结果表、总线解码表等提供了充足的空间。您可以简便地调整各种视图的大小,重新确定其位置,适应自己的应用。
同时查看!
波形和示波器运行参数在设置条中用一系列“标志”显示,设置条位于显示屏底部。设置条可以直接进入最常用的波形管理任务。您只需轻轻一触,就可以:
显示屏右侧的结果条只需轻轻一触,就可以直接进入最常用的分析工具,如光标、测量、搜索、测量和总线解码结果表、示图和标注。
DVM、测量和搜索结果标志显示在结果条中,而不会影响任何波形查看区域。为增加波形查看区域,可以随时解除及放回结果条。
只需双击显示屏上关心的项目,就可以进入配置菜单。在这种情况下,双击标志即可打开触发配置菜单。示波器采用触摸屏已有多年时间,但触屏界面的设计体验总是被置后考虑。6 系列 MSO 15.6" 显示器包括容性触摸屏,提供了业界第一个真正为触控设计的示波器用户界面。
支持您在手机和平板电脑中使用的、希望在触控设备中实现的各种触控操作。
平滑的、快速响应的前面板控件可以使用熟悉的旋钮和按钮进行调节,可以增加鼠标或键盘作为第三种交互方式。
容性触摸显示器上的交互方式与手机和平板电脑相同。
从历史角度看,示波器用户界面的设计采用固定的字体大小,以优化波形和读数的显示。如果所有用户均具有相同的查看偏好,则可很好实现,但这不切实际。用户耗费大量时间盯着屏幕,泰克意识到了这一点。6 系列 MSO 为用户提供可变字体大小的偏好设置;下至 12 点,上至 20 点。调整字体大小时,用户界面动态缩放,因此您可以轻松地选择适用于您的应用的最佳大小。
比较显示用户界面如何随着字体大小的变化而缩放。
高效直观的前面板不仅提供了关键控制功能,还为大面积 15.6" 高清显示器留出了空间。
传统上,显示器和控件一直大约各占示波器正面的一半。6 系列 MSO 显示器约占仪器正面的 85%。为实现这一点,它采用流线型前面板设计,保留了关键控件,实现了简单直观操作,而对通过显示屏上的对象直接进入的功能,则减少了菜单按钮的数量。
带颜色编码的 LED 光圈指明触发源和垂直标度/位置旋钮分配情况。大的专用运行/停止/单次按钮位于右上方显眼位置,其他功能如强制触发、触发斜率、触发模式、默认设置、自动设置和快速保存功能,则使用专用前面板按钮进入。
6 系列混合信号示波器 (MSO)用户可以选择是否包括 Microsoft Windows™ 操作系统的示波器。
6 系列 MSO 配备标准的可移动 SSD,其中包含一个封闭的嵌入式操作系统,将作为专用示波器启动,但无法运行或安装其他程序。提供支持 Windows 10 操作系统的可选 SSD,作为开放的 Windows 10 配置启动,您可以最小化示波器应用,进入 Windows 桌面,然后可以在示波器上安装和运行其他应用,或者您也可以连接其他显示器并扩展桌面。只需按需通过仪器底部的接入面板更换驱动器。
不管是否运行 Windows,示波器的操作方式都一样,感观和用户界面交互都相同。
6 系列还可作为紧凑型数字化器 - LPD64 使用。6 系列紧凑型数字化器在 2U 高产品包和 12 位 ADC 中采用四个 SMA 输入通道以及一个辅助触发输入通道,为需要极高通道密度的应用设立了全新的性能标准。

由于高达 10 GHz 模拟带宽、50 GS/s 采样率、标配 62.5 Mpts 记录长度和 12 位模数转换器 (ADC),6 系列 MSO 为您捕获波形提供了所需的性能,同时提供了最佳的信号保真度和分辨率,可以查看所有波形细节。
如果想调试设计问题,首先必须知道存在问题。数字荧光技术及 FastAcq 让您更深入地了解器件的实际运行状况。其快速波形捕获速率(>500,000个波形/秒)提高了查看数字系统中常见偶发问题的概率,如欠幅脉冲、毛刺、定时问题等。为进一步增强查看偶发事件的能力,辉度等级指明了偶发瞬态信号相对于正常信号特点发生的频次。
FastAcq 的高波形捕获速率可以发现数字设计中常见的偶发问题。
6 系列 MSO 拥有杰出的性能,可以为您捕获所需的信号,同时在您需要捕获高幅度信号而又要查看更小的信号细节时,最大限度地降低多余噪声的影响。仪器的核心是 12 位模数转换器 (ADC),其垂直分辨率是传统 8 位 ADC 的 16 倍。
全新高分辨率模式根据选择的采样率来应用基于硬件的独特有限脉冲响应 (FIR) 滤波器。FIR 滤波器为该采样率保持最大带宽,同时在超过选定采样率的可用带宽时,防止假信号,消除示波器放大器和 ADC 中的噪声。
高分辨率模式一直提供最低 12 位垂直分辨率,在≤ 625 MS/s 采样率和 200 MHz 带宽下最高可达 16 位垂直分辨率。下表显示了高分辨率模式下每种采样率的垂直分辨率位数。
| 采样率 | 垂直分辨率的位数 |
|---|---|
| 50 GS/s | 8 |
| 25 GS/s | 8 |
| 12.5 GS/s | 12 |
| 6.25 GS/s | 13 |
| 3.125 GS/s | 14 |
| 1.25 GS/s | 15 |
| ≤625 MS/s | 16 |
噪声更低的全新前端放大器进一步改善了解析精细信号细节的能力。
12 位 ADC 及全新高分辨率模式实现了业界领先的垂直分辨率。
全新 TEK061 前端放大器确立了低噪声采集的最新标准,提供了较好的信号保真度,以高分辨率捕获小信号。

噪声是能够在高速小信号上查看精细信号细节的一个关键因素。测量系统本身的噪声越高,能够看到的实际信号细节越少,尤其在示波器的垂直设置值设为高灵敏度 (如 ≤ 10 mV/div),以查看高速总线中流行的小信号时,这变得更加关键。6 系列 MSO 拥有全新前端 ASIC,即 TEK061,在最高的灵敏度设置下实现了突破性的噪声性能。“B”版本 6 系列 MSO 在多达两个通道上具有全新的 50 GS/s 低噪声交错采样率,在更高的伏/格设置下可将噪声降低近 3 dB,在低噪声性能方面进一步凸显优于同类示波器的竞争优势。下表对比了 6 系列 MSO 与上一代同带宽泰克示波器的典型噪声性能。
| 带宽 | V/Div | 6 系列 B MSO | DPO7000C | MSO/DPO70000C |
|---|---|---|---|---|
| 1 GHz | 1 mV | 51.8 µV | 90 µV 1 | N/A |
| 10 mV | 82.9 µV | 279 µV | N/A | |
| 100 mV | 829 µV | 2.7 mV | N/A | |
| 4 GHz | 1 mV | 97.4 µV | N/A | N/A |
| 10 mV | 171 µV | N/A | 500 µV | |
| 100 mV | 1.73 mV | N/A | 4.3 mV | |
| 8 GHz | 1 mV | 153 µV | N/A | N/A |
| 10 mV | 287 µV | N/A | 580 µV | |
| 100 mV | 2.94 mV | N/A | 4.5 mV |
发现电路问题只是第一步,然后,您必须捕获对应的事件,以确定根本原因。6 系列 MSO 提供了一套完整的高级触发功能,包括:
由于记录长度高达 1 G 点,您可以在一次采集中捕获许多对应的事件,甚至捕获数千个串行包。同时也可以提供高分辨率,放大精细的信号细节,记录可靠的测量数据。
触发菜单中的各种触发类型和上下文相关帮助可以更简便地隔离对应的事件。
找到复杂总线的适当周期可能要用几个小时的时间,来收集和分类数千次采集,找到关心的事件。通过定义触发,隔离所需事件,可以加快调试和分析工作。
可视触发功能扫描所有波形采集,把它们与屏幕上的区域(几何形状)进行对比,扩展了 6 系列 MSO 的触发功能。可以使用鼠标或触摸屏创建数量不限的区域,可以使用各种形状(三角形、矩形、六边形或梯形)指定所需的触发行为。一旦创建了形状,那么可以以交互方式编辑形状,创建自定义形状和理想的触发条件。
可视触发区域隔离关心的事件,只捕获要查看的事件,从而节省了时间。
通过只触发最重要的信号事件,可视触发能够节约捕获及手动搜索几小时的数据采集时间。您可以在几秒钟或几分钟内,找到关键事件,完成调试和分析工作。可视触发甚至可以用于多条通道,进一步用来调试和排除复杂的系统故障。
多条通道触发。可视触发可以与跨越多条通道的事件相关,比如同时在两个总线信号上传送的数据包。
一旦定义了多个区域,可以使用布尔逻辑公式,使用屏幕上编辑功能设置复杂的触发条件。
布尔逻辑触发判定。采用逻辑 OR 的布尔逻辑可以触发信号中的特定异常事件。
TekVPI® 探头接口确立了探测易用性的标准。该接口除了提供牢固可靠的连接外,许多 TekVPI 探头还有状态指示灯和控件,并在综合面板中直接提供了探头菜单按钮。这个按钮可以在示波器显示器上启动一个探头菜单,其中包括探头所有相关设置和控制功能。TekVPI 接口允许直接连接电流探头,无需单独电源。TekVPI 探头可以通过 USB 或 LAN 远程控制,在自动测试系统环境中提供了功能更全面的解决方案。6 系列 MSO 为前面板连接器提供了最高 80 W 的功率,足以为连接的所有 TekVPI 探头供电,而无需额外的探头电源。
TPP 系列无源电压探头具备通用探头的所有优势,如动态范围高、连接选项灵活、机械设计坚固可靠,同时又具有有源探头的性能。高达 1 GHz 的模拟带宽可以查看信号中的高频成分,3.9 pF 超低容性负载则最大限度地降低了对电路的负面影响,能够允许更长的接地引线。
您可以选配低衰减 (2X) 版本的 TPP 探头,测量低电压。与其他低衰减无源探头不同,TPP0502 具有较高的带宽 (500 MHz) 和较低的电容性负载 (12.7 pF)。
仪器 每条通道标配一只 TPP1000(1 GHz、2.5 GHz 型号)探头。
TDP7700 系列 TriMode 探头为实时示波器提供了最高的探头保真度。TDP7700 适用于 6 系列 MSO,可根据独特的 S 参数模型对探头和端部的信号路径进行全面 AC 校准。探头通过 TekVPI 探头接口将 S 参数传送到示波器,6 系列 MSO 获得这些 S 参数,从探头端部到采集内存提供最佳的信号保真度。TDP7700 系列探头在连接方面进行了多项创新,如焊接端部,探头输入缓冲器安装的位置距端部末端仅几毫米,可以轻松连接当今最具挑战性的电子设计。
TDP7700 系列探头有多种端部可供选择
通过 TriMode 探测技术,可以通过设置,使一个探头支持差分测量、单端测量和共模测量。这种独特的功能可以更高效地工作,在差分测量、单端测量和共模测量之间切换,而不必移动探头的连接点。
不管是设计逆电器、优化电源、测试通信链路、测量电流并联电阻器、调试 EMI 或 ESD 问题、还是试图消除测试设置中的接地环路,共模干扰直到现在都是工程师的设计、调试、评估和优化盲区。
泰克颠覆式 IsoVu 技术采用光通信和光纤供电技术,全面隔离电流。在与配备 TekVPI 接口的 6 系列 MSO 结合使用时,它是第一个、也是唯一能够在存在较高共模电压时,准确解析高带宽差分信号的测量系统:
泰克 TIVP 系列 IsoVu™ 测量系统提供了电流隔离测量解决方案,在存在大的共模电压时可以准确地解析高达 2,500 Vpk 以上的高带宽差分信号,在带宽范围内提供了同类优秀的共模抑制性能。
下图显示的是标准差分探头与光隔离探头的高侧门电路电压的比较。对于开关时,设备门电路通过门限区域后,门电路上都可以看到高频振铃。由于门电路和电源环路间的耦合,预计会出现一些振铃。然而,在差分探头情况下,振铃幅度明显高于光隔离探头测量幅度。这可能由于不断变化的参考电压引起探头内共模电流和标准差分探头的伪影。虽然差分探头测量的波形似乎通过设备的最大门电路电压,但光隔离探头的更准确测量表明该设备符合规格。使用标准差分探头进行门电路电压测量的应用设计人员应谨慎行事,因为可能无法区分此处显示的探测和测量系统伪影与实际违反设备额定值的情况。这种测量伪影可能会导致设计人员增加门电路电阻以减慢开关瞬态并减少振铃。然而,这会不必要地增加 SiC 设备的损耗。因此,必须拥有能够准确反映设备实际动态的测量系统,以便适当地设计系统并优化性能。
差分探头(蓝色谱线)与 IsoVu 光学隔离探头(黄色谱线)
为了检验原型的性能与仿真相符,并满足项目的设计目标,必须认真进行分析,从简单地检查上升时间和脉冲宽度,到全面分析功率损耗、检定系统时钟、调查噪声来源。
6 系列 MSO 提供了一套完善的标准分析工具,包括:
标准幅度和时间测量通过可视条和标记来注释波形显示,以提供相关信息。测量结果表可以让您全面查看其统计数据,包括当前采集和所有采集的统计数据。
使用使用测量功能表征突发宽度和频率。
在团队中共享数据,稍后重新创建测量或提供客户报告时,记录测试结果和方法至关重要。在屏幕上点击几下,即可按需创建任意数量的自定义标注; 使您能够记录测试结果的特定详细信息。通过各标注,您可以自定义文本、位置、颜色、字体大小和字体。
易于使用的标注(注释、箭头、矩形、书签),用于详细说明测试设置和相应结果。
如果没有适当的搜索工具,在长波形记录中找到对应的事件可能会耗费大量的时间。当今记录长度内含几百万数据点,定位事件可能要滚动几千屏的信号活动。
凭借创新的 Wave Inspector® 控件,6 系列 MSO 提供业内最完善的搜索和波形导航功能。这些控制功能加快了记录平移和放大速度。由于独特的应力感应系统,您可以在几秒钟内,从记录一端移到另一端。您也可以在显示屏上使用直观的拖放和缩放手势,调查长记录中关心的区域。
搜索功能可以自动搜索长采集数据,查找用户自定义事件。所有事件发生时点都用搜索标记高亮显示,可以使用前面板上的 Previous ( ← )和 Next ( → ) 按钮或显示屏上的搜索标志简便导航。搜索类型包括边沿、脉冲宽度、超时、欠幅、窗口、逻辑、建立时间和保持时间、上升/下降时间和并行/串行总线包内容。您可以根据需要,定义多个独特的搜索条件。
您还可以使用搜索标志上的 Min 和 Max 按钮,在搜索结果的最小值和最大值之间快速跳转。
FastAcq 之前发现数字数据流中存在欠幅脉冲,提示需要进一步调查。
无论您是专注于信号完整性还是设置用于生产的通过/不通过条件,模板测试均是检定系统中某些信号行为的有效工具。通过在屏幕上绘制模板段快速创建自定义模板。根据特定要求量身定制测试,并设置在注册模板命中或完整测试通过或失败时采取的措施。
极限测试是一种监控信号长期行为的有见地方法,可帮助您检定新设计或在生产线测试期间确认硬件性能。极限测试使用用户定义的垂直容限和水平容限,将实时信号与相同信号的理想或黄金版本进行比较。
通过
,即可按照您的特定要求轻松定制模板或极限测试。
自定义多段模板捕获波形中存在的信号毛刺和欠幅脉冲。
从广义上讲,任何处理信号的系统均可视为滤波器。例如,示波器通道用作低通滤波器,其中,其 3 dB 下降点称为带宽。在任意形状的波形情况下,可设计一个滤波器,在一些基本规则、假设和限制的上下文中将其转换为定义形状。
与模拟滤波器相比,数字滤波器具有一些显着的优势。例如,模拟滤波器电路元件的容限值足够高,以至于难以甚至不可能实现高阶滤波器。高阶滤波器很容易实现为数字滤波器。数字滤波器可以实现为无限脉冲响应 (IIR) 或有限脉冲响应 (FIR)。IIR 或 FIR 滤波器的选择基于设计要求和应用。
6 系列 MSO能够通过 MATH 任意函数将指定滤波器应用于数学波形。选项 6-UDFLT 将此功能提升至一个更深层次,提供比 MATH 任意基础函数更多的功能,增加了支持标准滤波器的灵活性,并可用于以应用为中心的滤波器设计。
滤波器可以通过数学对话框创建。编辑滤波器后,可以轻松地应用、保存和调用滤波器以供日后使用或修改。
6 系列 MSO支持的滤波器类型包括:
6 系列 MSO支持的滤波器响应类型包括:
滤波器响应控制可用于除全通、希尔伯特或微分器外的所有滤波器类型。
滤波器创建对话框,显示滤波器类型、滤波器响应、截止频率、滤波器阶数的选择,以及幅度/相位、脉冲响应和阶跃响应的图形表示
一旦完成任何编辑,即可保存、调用和应用滤波器设计。
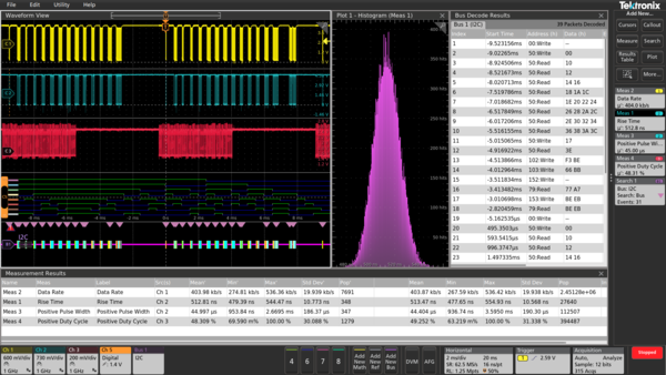
在调试过程中,最好能观察一条或多条串行总线上的流量,跟踪系统中的活动流程。手动解码一个串行包可能就需要几分钟的时间,更何况长采集中会有数千个数据包。
如果您知道在经过串行总线发送特定命令时会发生试图捕获的对应的事件,并且能够触发该事件,不是更好吗?遗憾的是,这并是仅仅指定边沿或脉冲宽度触发那么简单。
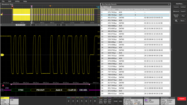
触发 USB 全速串行总线。总线波形提供了时间相关的解码后的包内容,包括开头、同步、PID、地址、端点、CRC、数据值和结尾,总线解码表则显示了整个采集的所有包内容。
6 系列 MSO 提供一套功能强大的工具,可以测量嵌入式设计中最常用的串行总线,包括 I2C、SPI、eSPI、I3C、RS-232/422/485/UART、SPMI、SMBus、CAN、CAN FD、CAN XL、LIN、FlexRay、SENT、PSI5、CXPI、汽车以太网、MIPI C-PHY、MIPI D-PHY、USB 1.0 (1.5 Mbps)、USB 1.1 (12 Mbps)、USB 2.0 (480 Mbps)、eUSB2.0、USB3.0 (5 Gbps)、以太网 10/100、EtherCAT、音频 (I2S/LJ/RJ/TDM)、MIL-STD-1553、ARINC 429、Spacewire、8B/10B、NRZ、曼彻斯特、SVID、SDLC、1-Wire、MDIO 和 NFC。
协议搜索功能使您可以搜索串行包的长采集数据,找到包含您指定的特定内容的包。事件发生的每个位置都用搜索标记突出显示。只需按前面板上或结果条中 Search 标记里的 Previous ( ← ) 和 Next ( → )按钮,就可以在各个标记之间快速移动。
所述串行总线工具也可以用于并行总线。仪器标配并行总线支持。并行总线最宽可以达到 64 位,可以包括模拟通道与数字通道组合。
由于在跟踪协议级别结果时无法达到参数信号级别,通常难以评估 NFC 设计的性能裕度。这意味着勉强通过的结果可能会导致测试流程后期出现故障,尤其是当设计容易受到设计折衷或附近电子设备引起的干扰和信号完整性问题(需要在协议分析仪、RF 信号分析仪等多个仪器之间进行耗时的调试)的影响时。
6 系列 MSO 上的 NFC 协议解码和搜索选项让用户可以查看 NFC 链路的事务,并通过标准分析中的每个信号处理步骤(从协议级别到基本信号级别)来跟踪结果,从而深入了解 NFC 芯片、标签、读取器或移动设备的确切性能。
NFC 事务可能很长。该软件选项以独特方式使用来自频谱视图硬件 DDC 的数据,这允许压缩采样率,从而节省传输时间和内存,并允许捕获和分析 100 毫秒甚至数秒的信号数据。
此外,由于 I/O 信号并非总是可以从被测设备探测和触发,考虑到 NFC 较小的调制指数,触发 RF 包络本身也是一项挑战。有了频谱视图,您可以使用 RF 与时间光迹和触发器来触发 13.56 MHz 包络(此功能在仪器中也是独一无二的)。
此功能简化了前期设计验证,并且在万一发生故障的情况下,还在单个仪器中提供了强大的调试工具。
NFC 软件选项允许您解码和搜索数字 NFC 位流,以便在单个仪器中执行 NFC 模拟/RF 和数字预一致性、调试以及故障排除。
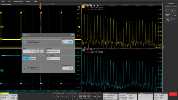
在频域中查看一个或多个信号,通常可以更简便地调试问题。几十年来,示波器一直标配基于数学的 FFT,以满足这一需求。但是,FFT 非常难用,主要原因有二。
第一,在执行频域分析时,您可能认为中心频率、频宽和解析带宽 (RBW) 等控制功能和频谱分析仪上一样。但在使用 FFT 时,您要面对传统示波器控制功能,如采样率、记录长度和时间/格,您不得完成全部的思维转换,才能尝试得到频域中要找的视图。
第二,驱动 FFT 的是提供模拟时域视图的相同的采集系统。在为模拟视图优化采集设置时,您的频域视图不是自己想要的。在获得想要的频域视图时,您的模拟视图不是自己想要的。在基于数学的 FFT 中,几乎没有可能同时在两个域中都获得优化的视图。
频谱视图改变了这一切。泰克已获专利的技术既为时域提供了一个抽取滤波器,又在每个 FlexChannel 后面为频域提供了一个数字下变频器 (DDC)。两条不同的采集路径可以同时观察输入信号的时域视图和频域视图,并为每个域提供独立的采集设置。其他制造商提供了各种“频谱分析”套件,并声称使用起来非常简便,但都会有上面的局限。只有频谱视图既提供了杰出的易用性,又能够同时在两个域中实现优化的视图。
传统上,执行 RF 测量时,例如 RF 通道功率 (CHP)、邻道功率比 (ACPR) 和占用带宽 (OBW),需要专用的频谱或信号分析仪或者频谱分析仪软件。这种额外的硬件或软件会增加复杂性和成本。每个通道上标配了频谱视图和集成的 RF 测量,可以节省用户时间、工作台空间和成本,并可直接在示波器上验证 RF 发射器 CHP、ACPR 和 OBW。
此外,与传统 FFT 相比,DDC 显著降低了解析信号所需的采样率,因为它取决于频宽,而不是中心频率。这样可以减少文件大小、提高频率分辨率和加快频谱更新速率,从而提供响应更迅速、更准确的解决方案,能够捕获 10 秒的频谱数据。
直观的频谱分析仪控制功能如中心频率、频宽和解析带宽 (RBW) 独立于时域控制功能,可以简便地进行设置,实现频域分析。每个 FlexChannel 模拟输入有一个频谱视图,可以实现多通道混合域分析。
频谱时间会设置计算 FFT 的时间范围的阈值。它在时域视图中用小的格线矩形表示,可以放在相应的位置,与时域波形实现时间相关。特别适合进行混合域分析。最多 11 种自动峰值标记提供了每个峰值的频率值和幅度值。参考标记一直是显示的最高峰值,用红色表示。
射频时域光迹可以简便地了解随时间变化的射频信号中正在发生的情况。从频谱视图的基础 I 和 Q 数据得出三个射频时域光迹:
可以独立打开和关闭每条谱线,可以同时显示这三条谱线。
数据存储为同相和正交 (I&Q) 样本,并且时域数据和 (I&Q) 数据之间保持精确同步。
当“射频对时间光迹”激活时,可捕获 IQ 数据且导出到文件,用于在第三方应用程序中进行进一步分析。
在 x 轴为频率、y 轴为时间,且功率电平由颜色变化指示时,频谱图显示(包括选项 RFVT)增强了对信号幅度和频率内容随时间变化的洞察力,使您能够看到光谱活动在何时何处发生变化。这使得它非常适合显示频谱数据的趋势,例如在诊断复杂杂散、跳频、多通道和动态信号时。
频谱图的优点包括:

下谱线为来自输入信号的频率对时间光迹。注意频谱时间位于从最低频率到中间频率的跳变过程中,因此能量分布到大量的频率中。通过频率对时间光迹,可以简便地看到不同的跳频,简化了检定被测器件在不同频率之间如何切换的过程。
无论您是需要查找电磁干扰源还是要了解 VCO 的行为,射频对时间的硬件触发器均可轻松隔离、捕获和了解射频信号行为。在边沿、脉冲宽度和射频幅度对时间以及射频频率对时间的超时行为时触发。
作为 4 通道 10 GHz 带宽或 8 通道 5 GHz 带宽多通道多域矢量信号分析 (VSA) 解决方案,泰克 6 系列 B MSO 与可用的分析软件相结合,可提供经济高效的中档性能。
如果分析需求超出基本频谱、幅度、频率和相位对时间,则可使用 SignalVu-PC 矢量信号分析应用。这样即可进行深入的瞬态射频信号分析、详细的射频脉冲检定以及全面的模拟和数字射频调制分析。
基于泰克混合信号示波器的 5G 测试方法,与每个通道上的专用 DDC 以及 5G 新无线电 (NR) SignalVu-PC VSA 软件一起,提供了一个新颖的方法来验证 5G NR 设计(由于基于 FFT 的传统示波器的技术局限性,传统 RF 工程师以前可能无法考虑执行此验证),并且提供了跨多个通道同时分析时域、频域和调制域的好处。
5G NR 发射器测量核心支持功能
5GNR 选项 (5GNRNL-SVPC) 支持 5G NR 调制分析测量,符合 3GPP TS 38 规范版本 15 和版本 16 要求,包括:
通过 SignalVu-PC 进行的 5GNR 测量提供了对 5GNR 设计的深入了解
要在 6 系列 MSO 示波器上启用 SignalVu-PC 应用程序,需三个选项。
各通道后的射频数字下变频器和集成测量引擎可在一台仪器中满足您复杂的混合信号和混合域分析需求。
显示在仪器上运行的 SignalVu-PC 多通道 VSA 软件的 MSO68
6 系列 MSO 上的每条通道 DDC 能够在所有通道上独立分析射频信号,包括配置单独的定时、触发和测量。当使用 SignalVu-PC VSA 软件时,此功能还能同时评估时域、频域和调制域。
高级脉冲分析选项 (SVPNL-SVPC) 允许您使用独立或协调的控制和测量,在共同时基上跨测量通道分析多个雷达信号。
SignalVu-PC 中的高级脉冲分析应用程序提供多达 31 个自动脉冲参数测量、统计数据和显示,可同时分析多达 8 个信号源,因此简化了工作流程并提高了效率。
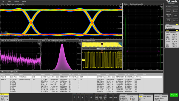
6 系列 MSO 无缝集成 DPOJET Essentials 抖动和眼图分析软件包,扩展了示波器功能,可以在一个单次实时采集中,在相邻时钟和数据周期上获得测量数据。它可以测量关键的抖动和时序分析参数,如时间间隔误差和相位噪声,帮助检定可能的系统时序问题。
分析工具如时间趋势图和直方图,可以迅速显示测量结果怎样随时间变化,频谱分析功能则可以迅速显示抖动源和调制源精确的频率和幅度。
选项 6-DJA 增加了额外的抖动分析功能,可以更好地表征器件的性能。31 种新增测量功能提供了完善的抖动和眼图分析和抖动分离算法,可以发现当今高速串行设计、数字设计和通信系统设计中的信号完整性问题,以及相关的问题来源。选项 6-DJA 还提供眼图模板测试,自动实现通过/不通过测试。
独有的“抖动摘要”可以在几秒种内全面查看器件性能。
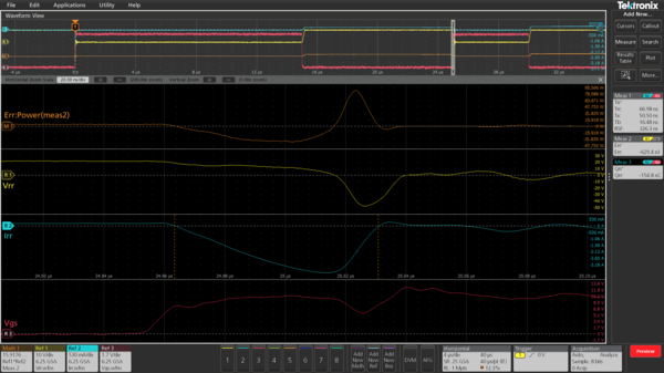
6 系列 MSO 还把选配的功率分析软件包集成到示波器的自动测量系统中,可以迅速地、可重复地分析功率质量、输入电容、涌入电流、谐波、开关损耗、安全作业区 (SOA)、调制、纹波、磁性测量、效率、幅度和定时测量、(dv/dt 和 di/dt)、控制环路响应(博德图)和电源抑制比 (PSRR)。
测量自动化支持一键触摸优化测量质量和可重复性,而无需外部 PC 或复杂的软件设置。
电源分析测量可显示多样化波形和绘图。
数字电源管理和分析 (DPM) 软件选项可以在 6 系列 MSO 示波器上提供自动电源轨测量以进行电源完整性分析。该解决方案使得能够使用电源轨探头同时分析多个电源轨,并使用无源探头对测量进行定序。该解决方案在设计时充分考虑了用户的工作流程,以帮助设计工程师满足他们在上市时间方面的需求。此外,它还会生成自动报告,其中包括测量、测试结果和绘图。
主要测量包括纹波、纹波上的纹波、电源定序、抖动分析、瞬态分析、电源完整性和信号完整性分析。
电源引发的抖动 (PSIJ) 测量作为一种工具,为信号完整性工程师提供深入见解和信心,使其能够对硬件更改所造成的影响建模,并在实际进行更改之前测试其有效性。该测量提供基本结果,例如眼图高度、眼图宽度、PJ 以及滤波前后的 TIE。

左侧是相量图,显示的是所有三相电源的电流和电压测量的相位和幅度。在右侧的结果标记中,显示的是电能质量自动测量的结果。
在使用三相电源的系统的设计和验证过程中,可能难以将控制系统和电力电子设备与整个系统的性能关联起来。
这将为您提供更深入的见解,使您能够调试以下产品的设计、效率和可靠性:
6-IMDA 包括的自动测量为:
嵌入式设计人员的一个重点领域是测试各种嵌入式系统和接口技术是否一致。这可以保证器件在 plugfests 中通过徽标认证,在与其他满足标准的器件一起运行时成功进行互操作。
高速串行标准的一致性测试规范都是由各自协会或主管机构开发的,比如 USB、以太网、内存、显示器和 MIPI。通过与这些协会密切合作,泰克开发了基于示波器的一致性测试应用,不仅重点提供测试合格/不合格结果,还可以更深入地了解测试失败原因,其提供了各种相关测量工具,如抖动和定时分析,以调试测试失败的设计。
这些自动化一致性测试应用基于一个框架,提供了:
根据规范全面覆盖测试项目。
测试时间快,基于量身定制的设置优化采集和测试顺序。
在以前采集的信号基础上进行分析,在所有采集完成后可以从设置中断开被测器件 (DUT)。这可以分析不同示波器上采集的波形,或在远程实验室中捕获的波形,建立高度协作的测试环境。
在采集过程中验证信号,确保捕获适当的信号。
其他参数测量,用来调试设计。
自定义眼图模板测试,了解设计裕量。
以多种格式提供详细报告,包括设置信息、结果、裕量、波形截屏和示图。
TekExpress USB2(选项 6-CMUSB2)DUT 面板配置 DUT 特定设置
宽禁带双脉冲测试应用程序提供精确的宽禁带测量,简化了器件和系统的验证过程。它能够测试 SiC 或 GaN 器件以及 Si MOSFET 和 IGBT。该应用程序与所有 Tektronix VPI 探头兼容,当与 Tektronix IsoVu™ 探头配合使用时,它有助于在电路级别上发现 SiC 或 GaN 器件的所有隐藏伪影。该应用程序根据 JEDEC 和 IEC 标准提供自动测量。它提供多项独特的功能,例如带注释的按周期分析、灵活的自定义参考电平设置、可配置的积分点以及可根据 DUT 设计设定的功率预设。
执行以下测量:
此图显示二极管反向恢复测量以及在高侧捕获的反向恢复电流和电压。
6 系列 MSO 包含大量的端口,可以用来把仪器连接到网络上、直接连接到 PC 上或连接到其他测试设备上。
所需的 I/O 将 6 系列 MSO 连接到设计环境中的其余地方。
任何与自动化测试系统密切合作的人员都知道,迁移至新模型或平台可能很痛苦。为新产品修改现有代码库可能非常昂贵和复杂。现有一个解决方案。
所有 6 系列 MSO 均包含一个编程接口 (PI) 转换器。启用后,PI 转换器充当测试应用程序和示波器之间的中间层。它识别来自流行的 DPO/MSO5000B 和 DPO7000C 平台的旧命令子集,并将其即时转换为 6 系列 MSO 支持的命令。转换器界面设计为人类可读且易于扩展,这意味着您可以自定义其行为以最大限度地减少过渡到新示波器时所需的工作量。
想与世界另一侧的设计团队协作?
标配的 e*Scope® 功能可以通过网络连接快速控制运行嵌入式操作系统的示波器。这可以通过标准 Web 浏览器从任何 PC 或设备查看。
只需输入示波器的 IP 地址或者网络名称,即会向浏览器提供一个网页。可以使用内置触摸屏远程控制示波器,就像在手边一样。或者,对于采用 Microsoft Windows 10 操作系统的示波器,您可以使用 Windows Remote Desktop™ 直接连接到仪器并对其进行远程控制。
通过标配行业标准 TekVISA™ 协议接口,您可以使用和增强 Windows 数据分析和文档管理应用。仪器配有 IVI-COM 仪器驱动程序,可以使用外部 PC 的 LAN 或 USBTMC 连接,轻松与示波器通信。
e*Scope 可以使用常用网络浏览器,简便地实现远程查看和控制功能。
在 PC 上获取屡获殊荣的示波器所带来的分析能力。随时随地分析波形。基本许可证允许查看和分析波形,执行多种类型的测量并解码最常见的串行总线 - 全部在远程访问示波器的同时进行。高级许可证选项则增加了诸如多示波器分析、更多串行总线解码选项、抖动分析和功率测量等功能。
TekScope PC 分析软件在 Windows 计算机上运行,可提供与 4、5 和6 系列 MSO 相同的屡获殊荣的用户体验。
TekScope PC 分析软件的主要功能包括:
使用 TekDrive,您可以从任何连接设备上传、存储、组织、搜索、下载和共享任何文件类型。TekDrive 原生集成到仪器,用于无缝共享和调用文件 - 无需 USB 记忆棒。直接在支持流畅交互式波形查看器的浏览器中分析和探索 .wfm、.isf、.tss 和 .csv 等标准文件。TekDrive 专为集成、自动化和安全而构建。
TekDrive 协作工作区 - 直接从您的仪器保存文件并跨团队共享
仪器可以选配集成任意波形/函数发生器,特别适合模拟设计中的传感器信号,或在信号中增加噪声执行裕量测试。集成函数发生器提供了高达 50 MHz 的预定义波形,用于正弦波、方波、脉冲波、锯齿波/三角波、直流、噪声、抽样信号(Sinc 函数)、高斯白噪声、洛伦兹曲线、指数上升/下降、半正矢曲线和心电图。AFG 可以从内部文件位置或 USB 海量存储设备中加载最长 128 k 点的波形记录。
AFG 特性兼容泰克 ArbExpress 基于 PC 的波形创建和编辑软件,可以快捷方便地生成复杂的波形。
仪器含集成 4 位数字电压表 (DVM) 和 8 位触发频率计数器。任何模拟输入都可以作为电压表的来源,使用的探头与通用示波器相同。触发频率计数器提供了触发事件非常精确的频率读数。
数字电压表和触发频率计免费提供,在注册产品后激活。
6 系列 BMSO 为您提供通过安全菜单保护公司数据的选项。包括通过密码保护远程网络访问、输入/输出端口和固件更新来限制对仪器的访问,以确保数据的安全。默认情况下,示波器在初次使用时会禁用远程访问,您可以选择启用有密码或无密码的远程访问。
要清除用户数据,请从菜单运行 TekSecure。取下仪器底部的 SSD,对示波器进行消毒。
电 话:173-0381-6163
传 真:+86-0371-69082289
手 机:173-0381-6163
邮 箱:1654991910@qq.com
地 址:郑州市中原区陇海西路300号3-2-2602室